Revue Technique Automobile Volkswagen Golf 5: Serrure de porte : dépose et repose

Revue Technique Automobile Volkswagen Golf 5 / Carrosserie - Travaux de montage à l`extérieur / Porte AV, verrouillage central / Porte avant / Serrure de porte : dépose et repose

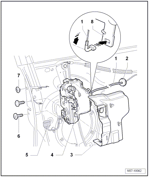
  Nota
Sont décrites uniquement la dépose et la repose de la serrure de porte du côté droit. La dépose et la repose de la serrure de porte, côté gauche, s'effectuent de façon analogue.
   
Dépose

Déposer la tôle extérieure de porte → Chapitre.
Déposer l'étrier de fixation → Chapitre.
Débrancher le connecteur -5-.
Dévisser les vis -6-.
Extraire le câble -1- du levier d'inversion -8- et retirer la serrure de porte -4-.
Le cache -3- n'est pas compris dans l'ensemble de livraison de la serrure de porte.

Repose

Pour la repose, procéder de façon analogue dans l'ordre inverse de la dépose.
Couple de serrage des vis : 18 Nm
Ensuite, effectuer impérativement un contrôle de fonctionnement porte ouverte, car la porte ne peut pas être ouverte si le câble Bowden n'a pas été réglé et clipsé correctement.
   
Étrier de fixation : dépose et repose
  Nota Sont décrites uniquement la dépose et la repose de l'étrier de fixation droit. La dépose et la repose de l'étrier de fixation gauche s'effect ...

Renfort latéral : vue d'ensemble du montage
  Prudence ! Les vis et écrous de la barre de renfort sont également peints en production. Cela implique un grand ...

D'autres materiaux:

Remarques concernant les véhicules avec système start/stop
Mesures de sécurité à respecter sur les véhicules avec dispositif start/stop de mise en veille → Chapitre. Si le dispositif start/stop de mise en veille est monté, les conditions d'interruption suivantes entraînent la désac ...

Diffuseurs d'air centraux de tableau de bord (véhicules avec Climatronic, Golf 2004 â–º) : dépose et repose
Dépose Couper le contact d'allumage.     -  Retirer le capteur d'ensoleillement -1- du logement aménagé dans le dispositif de ventilation indirecte -2- en faisant levier avec la cale de ...

Transmetteurs d'aide au stationnement arrière : dépose et repose
Outillage spécial, contrôleurs, appareils de mesure et matériel nécessaires     Outil de déverrouillage -T10345- Les quatre transmetteurs suivants sont logés dans le boucli ...

Categorie