Revue Technique Automobile Volkswagen Golf 5: Transmetteurs d'assiette arrière gauche -G76- : dépose et repose

Revue Technique Automobile Volkswagen Golf 5 / Equipement électrique / Feux, lampes, commutateurs ext. / Projecteurs à lampe(s) à décharge / Transmetteurs d'assiette arrière gauche -G76- : dépose et repose

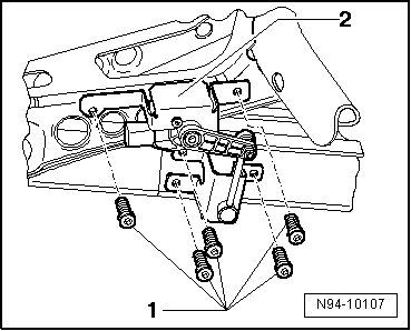
Dépose :
Couper le contact d'allumage, désactiver tous les consommateurs électriques, puis retirer la clé de contact.
   
Débrancher le connecteur -flèche-.
 
Dévisser les cinq vis de fixation -1- et retirer le transmetteur d'assiette arrière gauche -G76--2-.
Repose :
La repose s'effectue de façon analogue dans l'ordre inverse de la dépose ; il faut alors tenir compte de ce qui suit :
Serrer les vissages aux couples prescrits → Chapitre.
Contrôler le transmetteur d'assiette arrière gauche -G76- → Chapitre.
Effectuer un réglage de base des projecteurs → Brochure38.
  Nota
En cas de remplacement des transmetteurs d'assiette du véhicule, il faut contrôler les valeurs des transmetteurs → Chapitre et effectuer un réglage de base des projecteurs → Brochure38.
Si les valeurs des transmetteurs d'assiette du véhicule sont hors tolérance, il n'est pas possible d'effectuer un réglage de base des projecteurs.
 

Transmetteurs d'assiette du véhicule : contrôle

Les transmetteurs d'assiette transmettent l'inclinaison du véhicule sous forme de signal au calculateur de réglage du site des projecteurs -J431-.
Le contrôle suivant consiste à vérifier si le transmetteur d'assiette arrière gauche -G76- et le transmetteur d'assiette arrière gauche -G76- fournissent des signaux exploitables au calculateur du réglage du site des projecteurs -J431-.
Aucune entrée n'est enregistrée dans la mémoire d'événements du calculateur de réglage du site des projecteurs -J431- dans les cas suivants :
Si les transmetteurs d'assiette ne sont pas montés comme indiqué dans le Manuel de Réparation
Si les transmetteurs d'assiette présentent un endommagement mécanique
Si la géométrie des essieux a été modifiée (par ex. sur les véhicules surbaissés)
  Nota
Si les valeurs des transmetteurs d'assiette du véhicule sont hors tolérance, il n'est pas possible d'effectuer un réglage de base des projecteurs.
Contrôler les transmetteurs d'assiette du véhicule → Lecteur de diagnostic.
   

Languettes de fixation du projecteur : remise en état

Remise en état des languettes de fixation du projecteur → Chapitre

Transmetteurs d'assiette
Le véhicule est doté d'un transmetteur d'assiette sur l'essieu avant (transmetteur d'assiette avant gauche -G78-) et d'un autre sur l'essieu arrière (transmetteur ...

Projecteurs : adaptation pour le changement de côté de circulation
Pour éviter l'éblouissement provoqué par des feux de croisement asymétriques, les deux projecteurs doivent être adaptés au sens de circulation prescrit dans le ...

D'autres materiaux:

Accident avec déclenchement du sac gonflable
Après le remplacement des modules de sacs gonflables ou du calculateur de sac gonflable, coller les étiquettes (uniquement les bandes détachables) des composants neufs sur le " formulaire d'enregistrement 2 pour systèmes de sacs gonflables ". Le " fo ...

Faux-rond et voile latéral sur la roue/le pneu
Le faux-rond et le voile latéral sont dus à une inexactitude de concentricité de la roue et du pneu. Pour des raisons techniques, une concentricité parfaite n'est pas possible. C'est pourquoi le constructeur admet po ...

Éclaireur d'accès dans le rétroviseur extérieur : dépose et repose
L'éclaireur d'accès dans le rétroviseur extérieur, côté conducteur -W52- et l'éclaireur d'accès dans le rétroviseur extérieur, côté passager avant -W53- sont logés dans le boîtier du rétroviseur extérieur gauche ou droit.   ...

Categorie