Revue Technique Automobile Volkswagen Golf 5: Grille de calandre R32 : dépose et repose

| - |
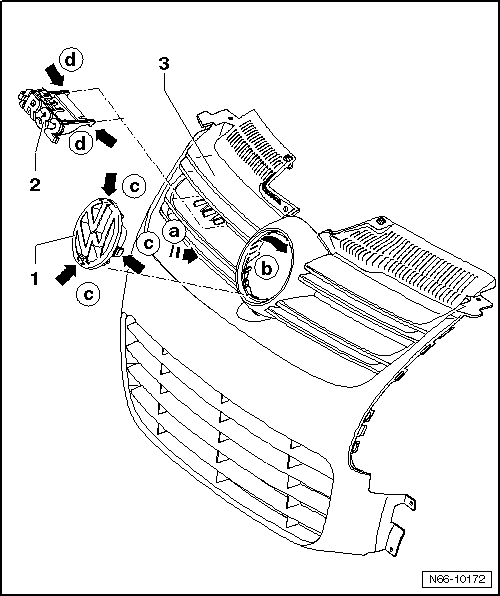
Dévisser les vis -4- et
extraire les grilles d'aération -3 et 6-
des crantages dans le bouclier de pare-chocs en les tirant dans
le -sens de la flèche a-. |
| - |
Dévisser les vis -5, 8 et 7-. |
| - |
Déverrouiller les crochets d'arrêt -flèche b-
et extraire la grille de calandre -1-
des crantages latéraux -2- situés
dans le bouclier de pare-chocs. |
|
Repose
| - |
Mettre en place la grille de calandre -1-
dans le bouclier de pare-chocs. |
| - |
Les crantages latéraux et les crochets d'arrêt
-7- doivent s'encliqueter de manière audible. |
| - |
Visser les vis ; couples de serrage des vis
-2- et -5- : 2 Nm, et de la vis
-8- : 1 Nm. |
| - |
Enfoncer les grilles d'aération -3 et 6-
dans le bouclier de pare-chocs. |
| - |
Serrer les vis ; couple de serrage de la vis
-4- : 1 Nm. |
Grille de calandre R32 : emblème
| - |
Déverrouiller les crochets d'arrêt -flèche c-. |
| - |
Mettre en place l'emblème -flèche a-,
et le tourner dans le -sens de la flèche b-. |
| - |
Déverrouiller les crochets d'arrêt -flèche d-. |
| - |
L'enfoncer dans la grille de calandre jusqu'Ã ce que les crochets
d'arrêt -flèche d- s'enclenchent. |
1 -
Grille de calandre
Matériau : acrylonitrile-styrène-acrylester (ASA)
Dépose :
→ Chapitre
2 - ...
Outils
Outillage spécial, contrôleurs,
appareils de mesure et matériel nécessaires
Clé dynamomét ...
D'autres materiaux:
Menu principal
I isez d'abord les informations d'introduction et les consignes de sécurité A
à h" et tenezen
r-utimrr*
Sélection
fonction
voir
MFA
Informations et possibilités de réglage de l'indicateur
multifonction
(MFA).
...
Capteur de pression de pneu : dépose et repose
Dépose
-
Dévisser l'écrou-raccord -1-.
-
Retirer le capteur de pression du pneu-2-
du puits de jante.
Repose
...
Joint homocinétique extérieur : contrôle
Le joint doit être désassemblé lorsqu'il est fortement
encrassé pour remplacer la graisse ou lorsque les voies de
roulement des billes doivent être contrôlées (usure,
endommagement).
Dépose
...