|  Nota 
 | 
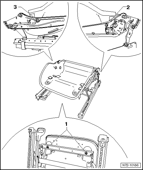
Dépose
| 
 
 
 
 
 
 
 
 
 | 
| - | Dévisser les deux vis -1- (24 Nm) situées à l'avant. | 
| - | Dévisser la vis -2- (24 Nm) située à gauche à l'arrière de l'armature de siège. | 
| - | Dévisser la vis -3- (24 Nm) située à droite à l'arrière de l'armature de siège. | 
 Nota
  Nota| Les vis -1- à -3- sont microencapsulées et doivent être remplacées après chaque desserrage. | 
| Avant de mettre en place les vis neuves, nettoyer les taraudages des écrous correspondants. | 

Repose
| - | La repose s'effectue dans l'ordre inverse de la dépose. | 
 Dossier de siège baquet avant : dépose et repose
Dossier de siège baquet avant : dépose et repose Câble Bowden de déverrouillage de dossier : dépose et repose
Câble Bowden de déverrouillage de dossier : dépose et reposeMonogrammes latéraux - Volkswagen R GmbH
   Logo sur l'aile gauche : cotes
	
		1 - 
		Cote a = 551 mm
	
	
		
		Reporter la -cote a- sur l'aile en 
		partant de l'arête inférieure de l'aile.
	
	
		2 - 
		Cote b = 14 mm
	
	
		
		Reporter la -c ...
   
Enjoliveurs de seuils de portes, véhicules 4 portes : dépose et repose
   
	
		
		
			
				Enjoliveurs de seuils de portes, véhicules 
				4 portes : dépose et repose
			
		
		
			  Nota
		
			
				La dépose et la repose sont décrites pour le côté gauche du 
				véhicule. La dépose et la repose pour le côté droit s'effectuent 
				d ...
   
Calculateur d'identification de remorque -J345
   Description générale
	
		
		
			
				Le calculateur d'identification de remorque -J345--flèche- 
				se trouve dans le coffre à bagages, derrière le revêtement 
				latéral arrière gauche.
			
		
		
			  Nota
		
			
				Informations supplémentaires :
			
		
		
 ...