Revue Technique Automobile Volkswagen Golf 5: Alternateur, moteur FSI 1,4 l

Revue Technique Automobile Volkswagen Golf 5 / Equipement électrique / Alimentation courant démarreur - GRA / Alternateur / Alternateur, moteur FSI 1,4 l

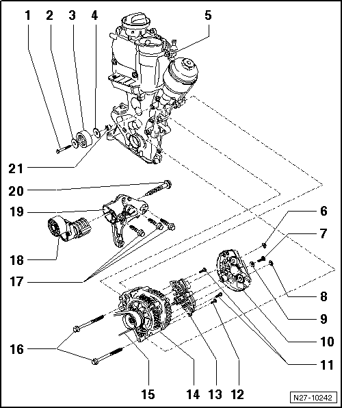
Vue d'ensemble du montage

1 -  Vis six pans
40 Nm
2 -  Rondelle
3 -  Galet-inverseur
4 -  Rondelle
5 -  Carter de distribution
6 -  Écrou six pans à embase
M8
Écrou de fixation du câble B+ sur face arrière d'alternateur
15 Nm
7 -  Vis à empreinte cruciforme
M5 x 21
4,5 Nm
8 -  Écrou six pans, plat
M8
9 -  Rondelle entretoise
M5
10 -  Cache de protection
11 -  Vis à empreinte cruciforme
M4 x 19
2 Nm
12 -  Vis à empreinte cruciforme
M4 x 13
2 Nm
13 -  Régulateur de tension
Déposer et reposer le régulateur de tension → Chapitre
14 -  Alternateur
Déposer et reposer l'alternateur → Chapitre
Contrôler l'alternateur → Chapitre
Fixation du câble B+ sur l'alternateur → Chapitre
Déposer et reposer la poulie de courroie multipistes sur l'alternateur → Chapitre
15 -  Courroie multipistes
Cheminement de la courroie multipistes → Chapitre
Contrôler la courroie multipistes → Chapitre
16 -  Vis six pans à embase
M8 x 90
23 Nm
17 -  Vis six pans à embase
M8 x 50
25 Nm
18 -  Tendeur
19 -  Support
Pour tendeur et compresseur de climatiseur
20 -  Vis six pans à embase
M10 x 50
20 Nm + serrage angulaire d' 1/4 de tour (90)
21 -  Douille entretoise

 
Sans illustration
Écrou de fixation M5 du collier de câble sur face arrière de l'alternateur - 3,2 Nm
   

Alternateur : dépose et repose, moteur FSI 1,4 l

Outillage spécial, contrôleurs, appareils de mesure et matériel nécessaires
   
Clé dynamométrique -V.A.G 1331-
 
Mandrin calibré -T10060 A-
Dépose :
Déconnecter la batterie → Chapitre.
 
Dévisser la vis de fixation supérieure de l'alternateur -flèche-.
Déposer l'insonorisant → Carrosserie - Travaux de montage à l'extérieur; Groupe de rép.50 .
 
Dévisser le support de câbles -1- et retirer le capuchon de protection -2-.
 
Débrancher le connecteur du câble DF -1- et dévisser le câble B+ -2- de l'alternateur.
Prudence !   Prudence !
Avant de procéder à la dépose, repérer la face supérieure et le sens de rotation de la courroie multipistes. Lors de la repose, il faut veiller à ce que le sens de rotation et la position de montage soient corrects. En cas de repose dans le sens inverse de rotation ou dans la position inverse de montage, la courroie sera détruite !
Repérer le sens de rotation de la courroie multipistes.
 
Détendre la courroie multipistes en faisant basculer le tendeur dans le sens de la -flèche- à l'aide d'une clé à fourche de 16.
Bloquer le tendeur à l'aide de la goupille de blocage -T10060 A-.
Retirer la courroie multipistes.
Déposer le compresseur de climatiseur → Chauffage-Ventilation-Climatiseur; Groupe de rép.87
 
Dévisser la vis de fixation inférieure de l'alternateur -flèche-.
Retirer l'alternateur du véhicule par le bas.
Repose :
Pour la repose, procéder de façon analogue dans l'ordre inverse de la dépose en tenant compte des éléments suivants :
Prudence !   Prudence !
Lors de la repose de courroies multipistes rodées, respecter le sens de rotation repéré lors de la dépose !
Avant la repose de la courroie multipistes, veiller à ce que tous les organes (alternateur, compresseur de climatiseur, pompe à palettes) soient correctement montés.
Lors de la mise en place de la courroie multipistes, veiller à ce qu'elle soit bien positionnée dans les poulies !
 
Expulser les douilles filetées -A- d'env. 4 mm dans le -sens de la flèche- hors de la carcasse de l'alternateur.
 
Revisser le support de câble -flèche-, en position de 9 heures, au dos de l'alternateur.
Serrer les assemblages vissés aux couples indiqués dans la vue d'ensemble du montage → Chapitre.
Démarrer le moteur et contrôler la rotation de la courroie.
 

Cheminement de la courroie multipistes, moteur FSI 1,4 l

Véhicules sans climatiseur :
1 -  Poulie de courroie multipistes - pompe de liquide de refroidissement
2 -  Galet-tendeur
3 -  Poulie de courroie multipistes - alternateur
4 -  Courroie multipistes
5 -  Poulie de courroie multipistes - vilebrequin
 
Véhicules avec climatiseur :
1 -  Poulie de courroie multipistes - pompe de liquide de refroidissement
2 -  Galet-inverseur
3 -  Poulie de courroie multipistes - alternateur
4 -  Galet-tendeur
5 -  Poulie de courroie multipistes - compresseur de climatiseur
6 -  Courroie multipistes
7 -  Poulie de courroie multipistes - vilebrequin
 
Cheminement de la courroie multipistes, moteur à injection 1,4 l
Véhicules sans climatiseur : 1 -  Galet-tendeur 2 -  Poulie de courroie multipistes - alternateu ...

Alternateur, moteur TSI 1,4 l
1 -  Vis à multipans creux M8 x 45 23 Nm 2 -  Galet-tendeur supérieur 3 -  Carter ...

D'autres materiaux:

Pompe à dépression pour frein -V192-
La pompe à dépression pour frein -V192- est montée sur la boîte automatique, à l'avant (vue dans le sens de marche). La remise en état de la pompe à dépression pour frein -V192- n'est pas prévue. En présence d'un défaut, il faut rem ...

Étrier de frein FN 3 : vue d'ensemble du montage
En cas de travaux de remise en état, poser un ensemble de réparation complet. Le nettoyage des freins ne doit être réalisé qu'avec de l'alcool à brûler. Enduire le cylindre récepteur, le piston et la bague-joint d'une mince couche de pâte ...

Introduction
Dans ce chapitre, vous trouverez des informations relatives aux sujets suivants : Systéme d'aide ou stationnement Systéme optique d'aide ou stationnement (OPS) Informotions complémentaires :  Assistant aux maneouvres de stationnement (Park Assist)   ...

Categorie