Revue Technique Automobile Volkswagen Golf 5: ABS Mark 70 (ABS/ASR)
 
	
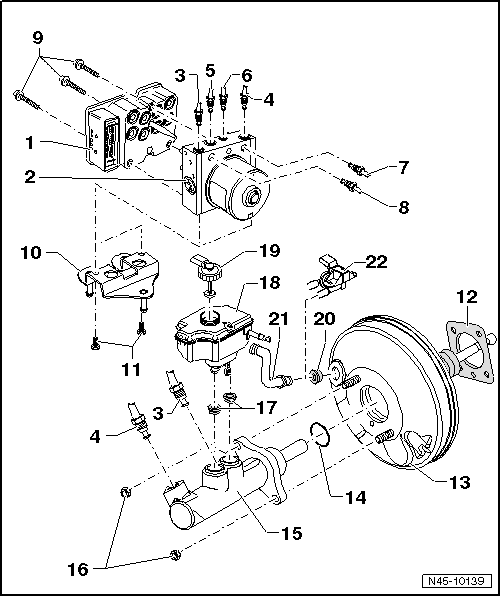
		| 1 - | Calculateur d'ABS -J104- | 
	
		
		| Déposer et reposer 
		→ Chapitre | 
	
		| 2 - | Unité hydraulique d'ABS -N55- | 
	
		
		| Déposer et reposer 
		→ Chapitre | 
	
		
		| Du maître-cylindre/circuit des pistons à tige de poussée à l'unité 
		hydraulique | 
	
		
		| Caractéristique : vis pour tuyaux à filet M 10 x 1 | 
	
		
		| Du maître-cylindre/circuit secondaire à l'unité hydraulique | 
	
		
		| Caractéristique : vis pour tuyaux à filet M 12 x 1 | 
	
		
		| vers l'étrier de frein avant gauche | 
	
		
		| Caractéristique : vis pour tuyaux à filet M 12 x 1 | 
	
		
		| vers l'étrier de frein avant droit | 
	
		
		| Caractéristique : vis pour tuyaux à filet M 10 x 1 | 
	
		
		| vers l'étrier de frein arrière gauche | 
	
		
		| Caractéristique : vis pour tuyaux à filet M 12 x 1 | 
	
		
		| vers l'étrier de frein arrière droit | 
	
		
		| Caractéristique : vis pour tuyaux à filet M 10 x 1 | 
	
		| 9 - | Vis à empreinte Torx, 5,5 Nm | 
	
		
		| Sur les moteurs à essence, la dépression nécessaire est prélevée sur 
		la tubulure d'admission. | 
	
		
		| Sur les moteurs diesel, une pompe à vide est montée pour établir la 
		dépression 
		→ Chapitre. | 
	
		
		| Contrôle du fonctionnement : | 
	
		| - | Le moteur étant à l'arrêt, appuyer plusieurs fois à fond sur la 
		pédale de frein (la dépression régnant dans le servofrein est ainsi 
		éliminée). | 
	
		| - | Maintenir alors la pédale de frein en position de freinage en 
		exerçant une pression moyenne avec le pied et lancer le moteur. Si le 
		servofrein fonctionne de façon impeccable, la pédale de frein doit 
		nettement céder sous l'action du pied (assistance au freinage efficace). | 
	
		
		| Procéder au remplacement intégral en cas de dysfonctionnement 
		(contrôler préalablement toutes les conduites de dépression). | 
	
		
		| Déposer et reposer 
		→ Chapitre | 
	
		
		| Appariement 
		→ Catalogue électronique de pièces de rechange (ETKA) | 
	
		
		| ne peut pas être remis en état. Procéder à son remplacement intégral 
		en cas de dysfonctionnements. | 
	
		
		| Déposer et reposer 
		→ Chapitre | 
	
		| 16 - | Écrou six pans, 25 Nm | 
	
		
		| Remplacer après chaque démontage. | 
	
		| 17 - | Obturateurs d'étanchéité | 
	
		
		| humecter de liquide de frein et enfoncer dans le réservoir de 
		liquide de frein | 
	
		| 18 - | Réservoir de liquide de frein | 
	
		| 20 - | Obturateurs d'étanchéité | 
	
		
		| Raccord pour le flexible de dépression | 
	
		| 21 - | Flexible de dépression | 
	
		
		| mettre en place dans le servofrein | 
	
		| 22 - | Capteur de pression du servofrein -G294- | 
	
		
		| Sur les véhicules avec moteur FSI sans servofrein hydraulique | 
	
		
		| Déposer et reposer 
		→ Chapitre | 
Conduites de frein venant du maître-cylindre : raccordement sur l'unité 
hydraulique
	
		| 
			
				| Sur le maître-cylindre : |  
			
				| A - | Du maître-cylindre/circuit des pistons à tige de poussée à 
				l'unité hydraulique. |  
			
				| - | Caractéristique : vis pour tuyaux à filet M 10 x 1 |  
			
				| B - | Du circuit secondaire du maître-cylindre à l'unité 
				hydraulique |  
			
				| - | Caractéristique : vis pour tuyaux à filet M 12 x 1 |  
			
				| 1 - | De l'unité hydraulique à l'étrier de frein avant gauche |  
			
				| 3 - | De l'unité hydraulique à l'étrier de frein arrière droit |  
			
				| 4 - | De l'unité hydraulique à l'étrier de frein arrière gauche |  |  |   | 
	
		| 
			
				| Sur l'unité hydraulique : |  
			
				| A - | De l'unité hydraulique au circuit des pistons à tige de 
				poussée du maître-cylindre |  
			
				| - | Caractéristique : vis pour tuyaux à filet M 10 x 1 |  
			
				| B - | De l'unité hydraulique au circuit secondaire du 
				maître-cylindre |  
			
				| - | Caractéristique : vis pour tuyaux à filet M 12 x 1 |  
			
				| 1 - | De l'unité hydraulique à l'étrier de frein avant gauche |  
			
				| - | Caractéristique : vis pour tuyaux à filet M 12 x 1 |  
			
				| 2 - | De l'unité hydraulique à l'étrier de frein avant droit |  
			
				| - | Caractéristique : vis pour tuyaux à filet M 10 x 1 |  
			
				| 3 - | De l'unité hydraulique à l'étrier de frein arrière droit |  
			
				| - | Caractéristique : vis pour tuyaux à filet M 10 x 1 |  
			
				| 4 - | De l'unité hydraulique à l'étrier de frein arrière gauche |  
			
				| - | Caractéristique : vis pour tuyaux à filet M 12 x 1 |  |  |   | 
Calculateur et unité hydraulique : dépose
 
	
		| Outillage spécial, contrôleurs, appareils de 
		mesure et auxiliaires nécessaires | 
	
		
		| Clé dynamométrique -V.A.G 1331- | 
	
		
		| Clé dynamométrique -V.A.G 1410- | 
	
		
		| Pousse-pédale de frein -V.A.G 1869/2- | 
 
	
		| 
			
				| Kit de réparation obturateurs, référence pièce 1H0 698 311 A |  
			
				| Après avoir désolidarisé le calculateur de l'unité 
				hydraulique, il faut dans tous les cas mettre en place le 
				protecteur de transport des dômes d'électrovannes sur l'unité 
				hydraulique. |  
			
				| La garantie ne s'appliquera pas aux unités hydrauliques sur 
				lesquels le protecteur de transport n'aura pas été mis en place. |  
			
				| 1 - | Protecteur de transport (en mousse) pour dômes 
				d'électrovannes |  
			
				| Le calculateur est vissé sur l'unité hydraulique et se 
				trouve à droite dans le compartiment-moteur. |  
			
				| 
					 ATTENTION ! 
					
						| Les conduites de frein se trouvant au niveau de 
						l'unité hydraulique ne doivent pas être tordues ! |  |  
			
				| - | Lire et noter le code existant du calculateur. |  
			
				| - | Sur les véhicules équipés d'un autoradio codé, tenir compte 
				du code, le demander au client si nécessaire. |  
			
				| - | Déconnecter la batterie 
				→ Ã‰quipement électrique; Groupe de rép.27. |  
			
				| - | Retirer le cache du moteur. |  
			
				| - | Déposer le tuyau de pression et l'ajutage d'admission avec 
				l'unité de commande de volet de régulation 
				→ Moteur à injection 4 cylindres (moteur 1,4 l à injection 
				directe, turbocompresseur et compresseur); Groupe de rép.24. |  
			
				| - | Déposer le flexible d'air de suralimentation
				→ Moteur à injection 4 cylindres (moteur 1,4 l à injection 
				directe, turbocompresseur et compresseur); Groupe de rép.21. |  
			
				| - | Pincer le flexible du vase d'expansion de liquide de 
				refroidissement et le débrancher. |  
			
				| - | Déposer le flexible de raccord allant à l'ajutage 
				d'admission 
				→ Moteur diesel 4 cylindres (2 soupapes); Groupe de rép.21. |  
			
				| - | Déposer le moteur de volet de tubulure d'admission V157
				→ Moteur diesel 4 cylindres (2 soupapes); Groupe de rép.23. |  
			
				| - | Déposer le tuyau de raccord entre le flexible d'admission et 
				le turbocompresseur. |  
			
				| - | Déposer la protection supérieure de courroie crantée. |  
			
				| Moteurs diesel avec filtre à particules : |  
			
				| - | Dévisser le détecteur de pression 1 des gaz d'échappement 
				-G450-, débrancher les connecteurs électriques, dévisser le 
				filtre à particules et l'abaisser 
				→ Groupe de rép.26 |  
			
				| Suite des opérations pour tous les véhicules : |  |  |   | 
	
		| 
			
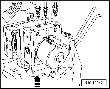
				| - | Déverrouiller la fiche du calculateur dans le sens de la 
				flèche -1- et la débrancher
				-2-. |  
			
				| - | Mettre en place le pousse-pédale de frein -V.A.G 1869/2-. |  
			
				| - | Brancher le flexible de purge des flacons de purge sur les 
				vis de purge des étriers de frein avant gauche et arrière gauche 
				et ouvrir les vis de purge. |  
			
				| - | Enfoncer la pédale de frein d'au moins 60 mm à l'aide du 
				pousse-pédale de frein -V.A.G 1869/2-. |  
			
				| - | Fermer les vis de purge avant gauche et arrière gauche. |  
			
				| - | Ne pas retirer le pousse-pédale de frein -V.A.G 1869/2-. |  
			
				| - | Placer suffisamment de chiffons non pelucheux sous le 
				calculateur et l'unité hydraulique. |  
			
				| Veiller à ce que du liquide de frein ne tombe pas sur les 
				contacts. |  |  |   | 
	
		| 
			
				| - | Commencer par repérer les deux conduites de frein
				-A et B- venant du maître-cylindre, 
				puis les dévisser de l'unité hydraulique. |  
			
				| - | Obturer immédiatement les conduites de frein et les 
				taraudages au moyen des obturateurs du jeu de réparation de 
				référence 1H0 698 311 A. |  
			
				| - | Repérer les conduites (étriers) de frein
				-1 à 4-, les dévisser et les 
				obturer. |  |  |   | 
	
		| 
			
				| - | Retirer l'unité hydraulique en même temps que le calculateur 
				des amortisseurs par le haut. |  |  |   | 
Calculateur : dévissage de l'unité hydraulique
	
		| 
			
				| Le calculateur étant dirigé vers le haut, poser l'unité 
				hydraulique sur une surface propre et plane. |  |  |  | 
	
		| 
			
				| - | Dévisser les vis à empreinte Torx -flèches-. |  |  |   | 
	
		| 
			
				| - | Retirer le calculateur de l'unité hydraulique
				-flèche- sans le positionner de 
				biais. |  
			
				| - | Retirer avec précaution toutes les bagues-joints des dômes 
				d'électrovannes de l'unité hydraulique. |  
			
				| 
					 ATTENTION ! 
					
						
						| Sur un calculateur déposé, le circuit imprimé est 
						ouvert. |  
					
						
						| Ni humidité ni particules de poussière ne doivent 
						pénétrer à l'intérieur du calculateur. |  
					
						
						| La pompe hydraulique ne doit pas être désolidarisée 
						de l'unité hydraulique. |  
					
						
						| Eviter toute charge électrostatique ! |  |  
			
				| - | Couvrir les bobines magnétiques du calculateur avec un 
				chiffon non pelucheux. |  
			
				| Après la désolidarisation du calculateur et de l'unité 
				hydraulique, utiliser le protecteur de transport des dômes 
				d'électrovannes. |  |  |   | 
Calculateur neuf : montage
	
		| 
			
				| 
					 ATTENTION ! 
					
						| De fortes vibrations (dues par ex. à une chute ou à 
						un coup) risquent de détruire le calculateur. Le 
						calculateur ne doit plus être utilisé ensuite. |  |  
			
				
				| Nettoyer les surfaces avant le réassemblage. |  |  |  | 
	
		| 
			
				| - | Pousser toutes les bagues-joints -A- 
				légèrement sur les dômes d'électrovannes. |  
			
				| - | Mettre en place le calculateur sur l'unité hydraulique en le 
				maintenant bien à l'horizontale. |  
			
				| Ceci a pour effet d'amener les bagues-joints en position 
				finale. |  
			
				| - | Visser l'unité hydraulique et le calculateur avec les vis à 
				empreinte Torx neuves qui y sont jointes. |  
			 Nota 
			
				
				| Un calculateur neuf ne doit pas être monté plus de deux fois 
				sur une unité hydraulique restée en place afin de garantir 
				l'étanchéité du joint élastique. |  
			
				
				| Un calculateur qui a déjà fonctionné pendant la marche du 
				véhicule ne doit pas être monté une seconde fois. |  |  |   | 
Calculateur et unité hydraulique : repose
	
		| 
			 Nota 
			
				
				| Ne retirer les obturateurs de l'unité hydraulique neuve 
				qu'au moment de monter la conduite de frein correspondante. |  
			
				
				| En cas de retrait prématuré des obturateurs de l'unité 
				hydraulique, du liquide de frein risque de s'échapper et la 
				garantie d'un remplissage ou d'une purge suffisants n'est plus 
				assurée. |  
			
				
				| Lors de la repose, veiller à ce que les butées caoutchouc ne 
				soient pas expulsées hors de la console. |  
			
				| - | La repose s'effectue dans l'ordre inverse de la dépose. |  
			
				| - | Retirer le pousse-pédale de frein -V.A.G 1869/2-. |  
			
				| - | Purger le système de freinage 
				→ Chapitre. |  
			
				| - | Coder le calculateur -J104- à l'aide du 
				→ Lecteur de diagnostic dans la "fonction Assistant 
				de dépannage". |  |  |  | 
	
		
	
	
		| Couples de 
		serrage : |  | 
	
		| Calculateur sur 
		unité hydraulique 
			
				
				| Utiliser des vis neuves ! |  | 5,5 Nm | 
	
		| Vis six pans pour 
		unité hydraulique sur support | 8 Nm | 
	
		| Conduites de frein 
		sur ensemble ABS : |  | 
	
		| Filetage M 10 x 1 | 14 Nm | 
	
		| Filetage M 12 x 1 | 14 Nm | 
   
	
		1 - 
		Calculateur d'ABS -J104-
	
	
		Sur les véhicules équipés de l'assistance de freinage hydraulique ou 
		de l'assistant de démarrage en côte, il n'est pas pos ...