Revue Technique Automobile Volkswagen Golf 5: Élément de déverrouillage : dépose et repose

Revue Technique Automobile Volkswagen Golf 5 / Carrosserie - Travaux de montage à l`extérieur / Capots, hayons, battants, cabine, verrouil.centr. / Hayon / Élément de déverrouillage : dépose et repose

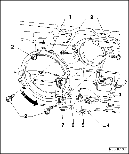
  Nota
Si le hayon ne s'ouvre pas, il peut être ouvert manuellement via le déverrouillage de secours -3- sur la serrure de hayon -4-. Le déverrouillage de secours est accessible par une ouverture dans le revêtement du hayon.
   

Dépose

Déposer le revêtement de hayon → Carrosserie - Travaux de montage à l'intérieur; Groupe de rép.70;.
Déposer le moteur d'essuie-glace arrière → Ã‰quipement électrique; Groupe de rép.92.
Débrancher le connecteur -7- de l'élément de déverrouillage -1-.
Dévisser les vis -2-.
Dégager dans le sens inverse de la -flèche- l'élément de déverrouillage des équerres de maintien -6-.
Retirer à présent l'élément de déverrouillage -1-.

Repose

Pour la repose, procéder de façon analogue dans l'ordre inverse de la dépose.
Couples de serrage des vis pour élément de déverrouillage : 4 Nm
Avant de fermer le hayon, effectuer un contrôle de fonctionnement des éléments de déverrouillage.
Éléments de verrouillage et de déverrouillage du hayon : vue d'ensemble du montage
1 -  Touche de déverrouillage, poignée de capot de coffre/de hayon -E234- Dépose et repose → Chapitre 2 -  Vis ...

Serrure de hayon : dépose et repose
  Nota Si le hayon ne s'ouvre pas, il peut être ouvert manuellement via le déverrouillage de secours -1- sur la serrure de hayon -2-. Le déverro ...

D'autres materiaux:

Sécurité de transport du changeur de CD intégré au " RCD 500 " : activation
La sécurité de transport doit être activée avant l'envoi d'un autoradio " RCD 500 " et désactivée lors de la pose d'un appareil neuf. Ces opérations s'effectuent électroniquement via le clavier de l'appareil. Une fois la sécurité de transport ...

Nettoyant pour plastiques
Désignation : Nettoyant pour plastiques -D 195 850 A1- Version 04.2009 Description du produit Le nettoyant pour plastiques -D 195 850 A1- est un nettoyant universel liquide e ...

Kit de premiers secours, triangle de présignalisation et extincteur
Fig. 176 Dans le coffre a bagages, côté gouche support du kit de premiers secours et triangle de presignalisation. Triangle de ptésignalisation et triangle de présignalisatïon Un kit de premier secours de commercialisation courante et un triangle de pr&eac ...

Categorie